
振動電機安裝的注意事項
安裝前準備
檢查電機是否碰傷、變形或受潮,緊固件有無松動等現象。
檢查銘牌數據是否符合要求,在用戶沒有特殊要求的情況下,本公司出品的電機的偏心塊位置均處于銘牌標示的最大激振力位置。
安裝表面如下圖,必須堅固、平整,安裝表面的粗糙度不允許高于6.3(以保證振動電機殼體產生的內應力最小),該安裝平板不能有氣孔、砂眼、裂紋,安裝表面須大于振動電機底腳面。

確保振動電機底腳面和安裝表面清潔,沒有油漆和雜物。
用500兆歐表測量絕緣電阻,其阻值應不低于20兆歐,否則應對定子繞組進行干燥處理,烘干溫度不超過120°C。
安裝
警告:安裝前,應切斷供給設備的所有電源和其他能源。
根據振動電機底孔徑,選用相應直徑不低于8.8級的高強度螺栓,且須有防松裝置,用扳手可靠緊固,依次對稱擰緊螺栓,不得有任何松動。
除YZUL立式振動電機只能垂直安裝外,其它振動電機可任意方向安裝。
YZU系列、MVE系列振動電機在電機頂部均有防跌安裝孔或吊環孔,當用戶將振動電機安裝離地面高于0.3米時,建議用鏈鉤栓緊,靠近電機處應有半圓形彎曲,另一端固定在一可靠處,以防振動電機底腳螺栓松動時下跌,造成設備損壞及安全事故發生。
振動電機試運轉10至20分鐘后,應檢查螺栓擰緊力矩是否松動,需要時應再次擰緊。經過首次8個小時的使用后,再次檢查安裝螺栓擰緊力矩,必要時擰緊。
注意:由于振動電機攜帶出線電纜在振動狀態下工作,在接線時,靠近電機出線處不能有急折,應有一個大于電纜外徑6~8倍的彎曲半徑,再與振動設備可靠固定,其距離應在600~1000mm,以使電纜線保持足夠的松弛狀態,避免接線內部產生應力拉斷接線,同時防止凝結水珠沿電纜線流入振動電機。
接線圖
YZU系列、MVE微型系列、防水系列、不銹鋼系列三相振動電機接線圖:

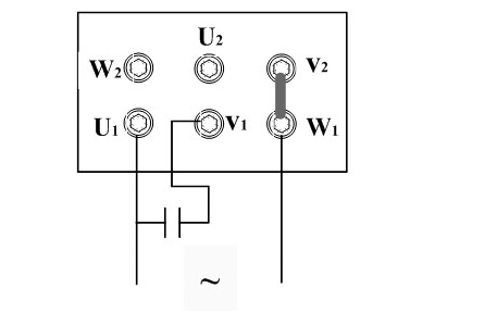
MVE微型系列、防水系列、不銹鋼系列單相振動電機接線圖:

MVE系列三相接線圖:

MVE系列單相接線圖:

直流MVE系列接線圖:


#深度好文計劃#特別提醒:
1. 請嚴格按圖接線,接地線必須可靠接地,以防安全事故的發生和電機燒壞。2. 注意接頭的相互位置,保證電氣間隙大于8mm,應根據被安裝電機的銘牌標示電流大小自行配置相應的過載保護和短路保護裝置,并避免兩臺或以上的振動電機同時共用一個保護裝置。3. 不得使振動電機在超過銘牌上規定的頻率范圍工作,并確認線電流不超過銘牌上的額定值,否則將會導致電機損壞。